HONG KONG INTERIOR HARDWARE
Kawajun Corporate Site
iconGOALS-Logo-m
繁
icon-fb-micon-ig-mUntitled-1
Home
Business
Interior Hardware
Public Furniture
Retail Solution
KJ System & Gondola Shelving
Hotel & Home Accessories
Catalogue
About
Contact
News
Online Shop
繁
icon-fb-micon-ig-mUntitled-1

Kawajun Corporate Site

iconGOALS-Logo-m
HomeAboutCatalogueProductsShowroom & Contact

Products

History
LLK LLK LL Roller Latch Dead Lock
PC-423-XC PC-423 Edge-Pull Handle
QBC-003 QBC Lever Handle QB
QCC-CGQ3 QCC Lever Handle QC
SE-158-XC_Close SE-158 LED Magnifying Mirror SE-158
H-150-215-700_pic H150_L700 Door Pull Handle
DG-083-2GQ-1330-R_pic DG-083L_L1330 DoorPullHandle_Left
H-175-101-700_pic H175_L700 Door Pull Handle
DA-161-HP10_pic DA-161_L645 Door Pull Handle
PC-435-XC PC-435 Pull & Knob
Check List
All Items
NEW
Door Pull Handle
Lever Handle
Push-Pull Handle
Swing Door Lock
Sliding Door
Door Accessory
Bathroom Accessory
Room Accessories
Kitchen Series
Furniture Knob

Swing Door Lock Back

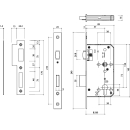
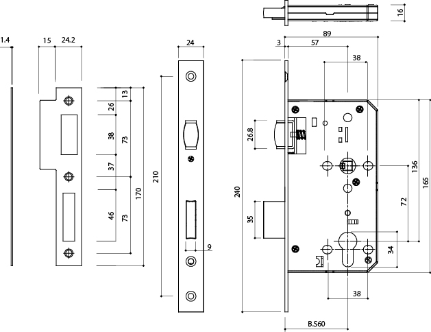
LLK

LL Roller Latch Dead Lock

PRODUCT CODE: LLK

Material
Stainless Steel
Finish
Brushed

Note:

B/S 60mm

Available Finishes: Brushed

Brushed

Related filesDownload All Related Files

LLK_size Dimension
PDF Drawing
CAD
Installation
Terms & Conditions
Privacy Policy

Copyright © KAWAJUN Hong Kong Limited. Powered by ANGLIA.