HONG KONG INTERIOR HARDWARE
Kawajun Corporate Site
EN
主頁
業務
建築裝飾五金
公共設施家具
零售策劃事業
KJ柱及貨架
酒店及家具配件
目錄
關於
聯絡我們
最新動態
網上商店
EN
Kawajun Corporate Site
建築裝飾五金
主頁
關於
目錄
產品信息
展廳&辦公室
產品信息
搜尋
歷史
SC-35R
廁紙架
清除
檢查清單
清除
所有項目
新產品
大門拉手
門把手
按壓式拉手
門鎖
趟門
門配件
浴室配件
房間配件
廚房系列
抽屜櫃拉手
浴室配件
返回
加入清單
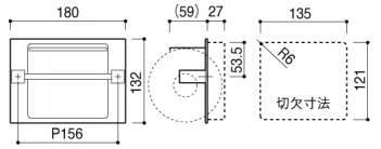
廁紙架
產品代碼:
SC-35R-CT
材料
鋅合金 + 不銹鋼
飾面
Chrome & Brushed
備註:
*使用於不直接接觸到水的地方
可用飾面:Chrome & Brushed
相關文件
下載所有相關文件
Dimension
PDF Drawing
CAD
Manual
相關項目
SC-355
掛鉤
SC-351
毛巾架
SC-351-L
毛巾架