HONG KONG INTERIOR HARDWARE
Kawajun Corporate Site
iconGOALS-Logo-m
EN
icon-fb-micon-ig-mUntitled-1
主頁
業務
建築裝飾五金
公共設施家具
零售策劃事業
KJ柱及貨架
酒店及家具配件
目錄
關於
聯絡我們
最新動態
網上商店
EN
icon-fb-micon-ig-mUntitled-1

Kawajun Corporate Site

iconGOALS-Logo-m
主頁關於目錄產品信息展廳&辦公室

產品信息

歷史
LLK LLK LLK 滾輪鎖
QDC-CK QDC 門把手連 QD
PC-143-XGF PC-143-F 嵌入式趟門拉手連 Grip (for單邊)
H-41-101-1200_pic H41_L1200 大門拉手 長1200
DA-175-LQ-2000_pic DA-175_L2000 大門拉手 長2000
SE-62W-P06 SE-62W 雙廁紙架連頂層架
PA-69-3U4Q900 PA-69-900 趟門側拉手 L900
SE-625-XT SE-625 掛鉤
PC-143-XALF PC-143-LF 嵌入式趟門拉手連 Grip (for單邊)
PA-69-4Q4Q300 PA-69-300 趟門側拉手 L300
檢查清單
所有項目
新產品
大門拉手
門把手
按壓式拉手
門鎖
趟門
門配件
浴室配件
房間配件
廚房系列
抽屜櫃拉手

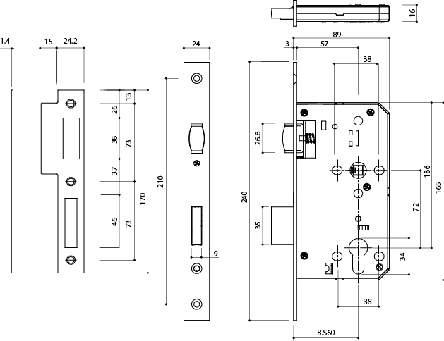
歷史 返回

LLK

LLK 滾輪鎖

產品代碼:LLK

材料
不銹鋼
飾面
拉絲

備註:

B/S 60mm

可用飾面:拉絲

Brushed

相關文件下載所有相關文件

LLK_size Dimension
PDF Drawing
CAD
Installation
條件&條款
私隱條例及政策

Copyright © KAWAJUN Hong Kong Limited. Powered by ANGLIA.